Vonkajšie žalúzie Z90
Vonkajšia žalúzia Z90
Špecifikácia produktu:
- hliníkové lamely, tvar Z, šírka 90 mm, hrúbka 0,42 mm
- zalisovaný tesniaci profil pozdĺž lamely - znižuje hluk
- kovové vodiace tŕne
- nastrelené háčiky pre rebríček
- jednostranné naklápenie lamiel
- naklápení lamiel 90°
- ovládanie kľukou (strieborný elox)/motorom
- prechodka kľuky 45°/90°, dĺžka max 500 mm (6 hrán)
- horný profil 56x58 mm z pozinkovanej oceli
- spodný profil z extrudovaného hliníku
- textilna páska 8 mm
- rebríček s kevlarom
Schéma motorického ovládania
![]() |
Schéma kľukového ovládania
![]() |
Rozmery žalúzie:
Základné rozmery žalúzie
Na obrázku
SZ = šírka žalúzie
VZ =výška žalúzie
VL = výška vodiacej lišty
DL = dĺžka lamely
O = odsadenie osi žalúzie od rámu okna
![]() |
Zameranie šírky žalúzie:
Spôsob zamerania šírky žalúzie ovplyvňuje, ako bude daná žalúzia osadená.
- do otvoru (špalety) - vodiaca lišta VL1
- na rám okna - vodiaca lišta VL2
- na rám okna (predeľovacia) - vodiaca lišta VL3
- na rám okna - vodiaca lišta VL6*
- do zateplenia - vodiaca lišta VL7**, vodiaca lišta VL7 + zápustné puzdro ZP
*pre lištu VL6 je možné použiť len konzolu TK1,TK2,TK3,TK4
**vodiace lišty VL7 sú štandardne dodávané s prerezaním. Pokiaľ požadujete dodanie vodiacích lišt v celku, do kolonky "Poznámka:" uvedťe "VL7 neprerezávať !"
Poznámka:
Pri použití VL1 a VL2 bude lamela užšia o 25mm z každej strany, než je objednávaný rozmer žalúzie.
Pri použití VL7 bude lamela užšia o 7 mm z každej strany, než je objednávaný rozmer žalúzie.
![]() |
Zameranie výšky žalúzie
Výška paketu (nábalu)
Výška paketu (nábalu) povytiahnutí lamiel je závisla od celkovej výšky žalúzie. Tento údaj je pre Vás veľmi dôležitý, pretože Vám určuje o koľko Vám zoberie zo svetlosti okna pri priznaných krycích plechoch, respektíve o koľko musí byť vyššia žalúzia pri zaomietacích plechoch.
UPOZORNENIE: Pri zaomietacích krycích plechoch k výške otvoru pre žalúzie pripočítajte výšku krycieho plechu.
VZ - výška žalúzie
VKP - výška krycieho plechu
VNBL - výška nábalu
VZ = určuje VNBL podľa tabuľky
VKP = VNBL + 20mm
Výška paketu (nábalu) pre Z90 - tabuľka
| Výška žalúzie VZ od (mm) | Výška žalúzie VZ do (mm) | Výška paketu VNBL (mm) | Výška plechu VKP (mm) |
| - | 525 | 120 | 140 |
| 530 | 765 | 140 | 160 |
| 770 | 1005 | 150 | 170 |
| 1010 | 1245 | 160 | 180 |
| 1250 | 1565 | 180 | 200 |
| 1570 | 1805 | 190 | 210 |
| 1810 | 2045 | 200 | 220 |
| 2050 | 2285 | 220 | 240 |
| 2290 | 2525 | 230 | 250 |
| 2530 | 2765 | 240 | 260 |
| 2770 | 3005 | 250 | 270 |
| 3010 | 3245 | 270 | 290 |
| 3250 | 3565 | 280 | 300 |
| 3570 | 3805 | 290 | 310 |
| 3810 | 4045 | 310 | 330 |
| 4050 | 4285 | 320 | 340 |
| 4290 | 4525 | 330 | 350 |
| 4530 | 4765 | 350 | 370 |
| 4770 | 5005 | 370 | 390 |
Výška paketu (nábalu) pre Z90 schéma
Typy vodiacich líšt
VL1
do otvoru (špalety)
Používa sa pri kotvení vodiacej lišty do boku (špalety), priamym priskrutkovaním. Skrutka sa vedie skrz hliníkový profil. Pri motáži vhodným podložením podložiek dbajte na to, aby vodiace lišty boli vertikálne uložené a vzájomne rovnobežné. Musí byť dodržaná aj celková vzdialenosť na vonkajších okrajoch vodiacich líšt VL1, ktorá sa musí zhodovať s objednanou šírkou žalúzie.
Osadenie vodiacej lišty musí byť vo vzdialenosti od rámu okna minimálne 65mm
*nie je možné použiť žiaden z ponúkaných držiakov vodiacich líšt (K1,K2,K3,TK1,TK2,TK3,TK4)
VL2
na rám okna
Používa sa pri kotvení vodiacej lišty na rám okna. K vodiacim lištám sú pribaľované aj upevňovacie konzoly. Konzola sa nasunie do drážky vodiacej lišty a následne sa priskrutkuje o rám okna. Pri motáži dbajte na to, aby vodiace lišty boli vertikálne uložené a vzájomne rovnobežné. Musí byť dodržaná aj celková vzdialenosť na vonkajších okrajoch vodiacich líšt VL2, ktorá sa musí zhodovať s objednanou šírkou žalúzie.
Osadenie vodiacej lišty musí byť vo vzdialenosti od rámu okna minimálne 65mm
*podľa dĺžky odsadenia je možné použiť konzoly (K1,K2,K3,TK1,TK2,TK3,TK4)
VL3
na rám okna (dvojitá)

VL6
na rám okna
*doplnková lišta pre exteriérové žalúzie
*POZOR: podľa dĺžky odsadenia je možné použiť len konzoly (TK1,TK2,TK3,TK4)*

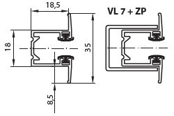
VL7
zapustená do zateplenia
- podomietková vodiaca lišta
- pre osadenie lišty VL7 je nevyhnutné doobjednať zápustné puzdro**
VL7+ZP
zapustená do zateplenia
Používa sa pri osadení do zateplenia a kotvení vodiacej lišty do boku (špalety). V zateplení vytvorte drážku pre zápustné puzdro ZP. Osaďte zápustné puzdro ZP do vytvorenej drážky a upevnite montážnou penou. Do zápustného pudra nasaďte vodiacu lištu VL7 a priskrutkujte k zápustnému puzdru. Skrutka sa vedie skrz hliníkový profil. Musí byť dodržaná celková vzdialenosť na zateplení (špalety), ktorá sa musí zhodovať s objednanou šírkou žalúzie. Pri motáži dbajte na to, aby vodiace lišty VL7 boli po osadení vertikálne uložené a vzájomne rovnobežné. Ak už máte osadené krycie plechy a zápustné puzdro, objednajte iba vodiacu lištu VL7. Šírka žalúzie je šírka otvoru (na špalete) po ukončení fasády a jej nátere.
Osadenie vodiacej lišty musí byť vo vzdialenosti od rámu okna minimálne 65mm.
Uchytenie vodiacích líšt VL2 na rám okna pomocou konzoly K1, K2, K3
Pri uchytení žalúzie s vodiacou lištou VL2 na rám okna pomocou konzoly k dispozícii 3 veľkosti konzol a to K1, K2, K3. Výber závisí od hrúbky zateplenia , veľkosti špalety, alebo pre vytvorenie miesta pre siete proti hmyzu.
Výrobné tolerancie
Prehľad tolerancí slúži na stanovenie prípustných hraníc zhody a nezhody výrobku.
Vonkajšie žalúzie sú zložené z množstva kovových a textilných elementu s rôznymi materiálovými vlastnosťami a výrobnými toleranciami.
Vonkajšie žalúzie sú produktom, ktorý je neustále vystavovaný vplyvu počasia predovšetkým teploty, vlhkosti, poveternostným vplyvom a špiny. Tieto majú veľký
vplyv na funkciu a vzhľad vonkajšie žalúzie.
Základné funkcie žalúzie sú vždy splnená, keď sa dajú lamely otáčať a keď v uzavretom stave nesvieti svetlo priamo na zasklenie.
Odchýlky od tabuľkových hodnôt môžu byt v určitom rozsahu našimi technikmi skorigované.
Prosím majte na vedomie:
Uvedené limity sú vytvorené na základe aktuálneho stavu techniky, príslušných technických noriem a na základe dlhoročné skúsenosti.
Povolené tolerancie výrobných rozmerov nájdete v následovnej tabuľke. Tieto tabuľkové hodnoty sú platné len pre vonkajšie žalúzie.
| Vlastnosť | Popis odchýlky | Tolerancia |
|
Šírka žalúzie |
Šírka žaúzie do 2000 mm Šírka žalúzie od 2000 mm do 4000 mm Šírka žalúzie nad 4000 mm |
max. 3mm max. 4mm max. 5mm |
|
Výška žalúzie
|
Výška žalúzie do 1500 mm Výška žalúzie od 1500 mm do 2500 mm Výška žalúzie nad 2500 mm |
max. 4 mm max. 6 mm max. 10 mm |
|
Výška paketu
|
Paket do výšky 2500mm Paket vyšší jak 2500mm |
+/-0,5% výšky VŽ +/-1 % výšky VŽ |
| Diferencia výšky paketov | Mezi jednotlivými paketami rovnakej výšky | max. 20 mm |
|
Paralelnosť paketu v hornej pozícií
|
Výškový rozdiel paketu lamiel pri výške do 3500 mm Výškový rozdiel paketu lamiel pri výške nad 3500 mm |
+/- 30 mm +/- 40 mm |
|
Tolerancie pre lamely
|
Povolená odchýlka pre skrútenie a pozdĺný priehyb - šírka lamely do 1 m Povolená odchýlka pre skrútenie a pozdĺný priehyb - šírka lamely do 2 m Povolená odchýlka pre skrútenie a pozdĺný priehyb - šírka lamely do 3 m Povolená odchýlka pre skrútenie a pozdĺný priehyb - šírka lamely do 4 m Povolená odchýlka pre skrútenie a pozdĺný priehyb - šírka lamely do 5 m Povolená odchýlka pre priečný priehyb - šírka lamely do 1 m Povolená odchýlka pre priečný priehyb - šírka lamely do 2 m Povolená odchýlka pre priečný priehyb - šírka lamely do 3 m Povolená odchýlka pre priečný priehyb - šírka lamely do 4 m Povolená odchýlka pre priečný priehyb - šírka lamely do 5 m |
max. 3 mm max. 4 mm max. 5 mm max. 6 mm max. 7 mm max. 2 mm max. 3 mm max. 4 mm max. 5 mm max. 6 mm |
|
Krivosť spodnej lišty
|
V hornej pozícii pri šírke viac ako 800 mm V hornej pozícii pri šírke menej ako 800 mm V dolnej pozícii |
max. 15 mm max. 30 mm +/- 15 mm/m |
|
Šikmý chod spodnej lišty
|
Odchýlka od rovnomernosti do výšky 3500 mm Odchylka od rovnomernosti nad výšku 3500 mm |
+/- 10 mm +/-15 mm |
| Šikmý chod paketu | Vplietanie rebríčka mezi lamely | je prípustné |
| Doba chodu paketu | Nepretržitá doba chodu motoru | max. 4 min |
| Tex (páska) | V priebehu chodu viditelné vloženie texu (pásky) na lamelách | je prípustné |
|
Priepustnos5 svetla - pod+la CSN EN 14501
|
V uzavretom stave nie je žiadny horizontálny presvit z vonku dovnútra V uzavretom stave nie je žiadny horizontálny presvit z vnútra vonku |
je prípustné je prípustné |
|
Akustika
|
Zvuky z chodu a vypínacie zvuky su dané technickým riešením dány technickým rešením. Hluk podľa sily vetra a polohy lamel. |
je prípustné je prípustné |
| Tolerancia pre krycie plechy | Pre zadávané hodnoty | +/- 2 mm |
Krycí plech zaomietací KP05 - farba RAL50.00 €
Krycí plech predokenný KPP03 - dvojdielny - farba RAL96.93 €
Krycí plech predokenný KPP06 - dvojdielny - farba RAL92.31 €
Krycí plech zaomietací KP04 - dvojdielny - farba RAL92.31 €









